A place for discussion of general audio, music and related topics.
January 21st, 2015, 9:00 pm
Contacting Gary Pimm didn't work, so maybe someone in the group can help.
I want to modify my own DCX2496 and according to several sources, the main issues are input and output analog sections. Allegedly, the digital is done well. (Whew!)
Gary Pimm wrote a little article on his page about his mods to his own 2496, but some information is missing.
Here is the article:
Back when I started messing around with open baffle speakers, I decided to try a Behringer DCX2496 as the bass control for the OB subs. Seemed like a good idea to combine the sub crossover, open baffle EQ, and LF room EQ in one unit. The plan was to run only the subs through the DCX2496. The signal to the wide range OB speakers bypassed the DCX2496.
The main amp has balanced inputs, the volume control is a balanced auto-transformer TVC (custom Dave Slagle), and the 2 main signal sources (CD and phono) are balanced. The DCX having balanced inputs and outputs looked like a natural addition to the audio system. Got the first prototype OB system set up and running over the 2005 Christmas break. There were some signs of good things going on but the imaging of the system was not working at all. This was kind of a surprise because I was using the same bass-midrange drivers, the same tweeter, and the same crossover as the previous boxed speaker system. I literally pulled the drivers out of the box and mounted them on the OB. I had been listening and tweaking the box speakers for over a year and had a firm understanding of the strengths and weaknesses of the drivers. The OB subs were not sounding all that good either.
At this point I was kind of bummed out. Had put several weeks of time into the OB speaker system and the OB advantages were nowhere to be heard. The big sound stage and spacious presentation was missing in action. The sound stage was quite narrow and shallow. Dynamics were squashed. The depth presentation barely made it the 3 feet to the back wall. With the older box speaker system the sound stage seemed to extend way beyond the rear wall of the room and had great dynamics. Something was wrong and I had not figured out what it was...
The eureka moment came one day when I had the system partially disassembled for some unknown reason. Started listening to just the main speakers. The key turned out to be listening with the inputs to the Behringer unplugged. The expected sound stage and dynamics were back! After dinking around with the system I found that the input circuitry of the Behringer was messing up the imaging of the main channels by just being plugged into the system. This was kind of a shock as at the normal listening levels the TVC has very low output impedance. Was not expecting the input circuitry of the Behringer to have "backwash" that was messing up the rest of the system. Confirmed this theory by listening to the system both ways, with the Behringer either plugged into the second outputs of the TVC or not. With the Behringer plugged in we got the compressed sound stage and wimpy dynamics, with the Behringer un-plugged the sound was as expected.
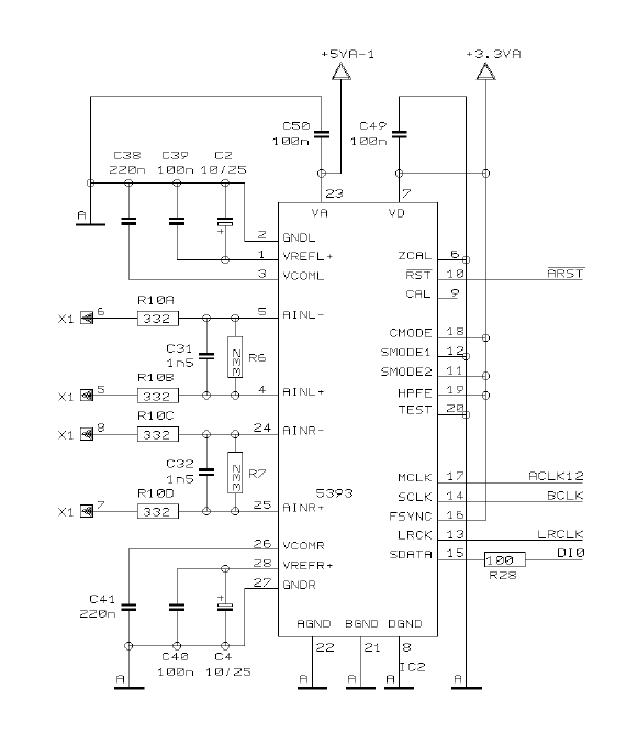
So, off to the web to try and find schematics for the Behringer DCX2496. Had good success, but I don't remember the site I downloaded the .pdf's from. Here is the analog inputs for channel 1 and 2:
Right off the bat, we have a pair of low grade 47uf electrolytic caps with no DC bias loaded by 20K. I was a bit surprised that the electrolytic caps were the cause of the bad sound but then again, I have almost no capacitors in the signal path any where in my system. Further looking at the input circuit we see that the first stage (IC7B) converts the balanced signal to a single ended signal and has a gain of .2. IC7B drives the inverting stage of IC8B. This is where things get a little strange. As drawn, the inverting stage uses C71+ R103 in parallel with R77 as Rin. R78 is Rf. The gain of the inverting stage would be Rf/Rin. At high frequencies, the impedance of C71 is low so Rin ~1K (R77 in parallel with R103). The high frequency gain would be 2.21K/1K=2.21. At low frequencies, R103 drops out of the eqauation and the gain is 2.21K/2K for a gain of 1.1. The thing that bugs me is the active frequency of the C71 R103 combo values is close to 3Khz. Seems strange to have a shelving network in the input circuit. Are the values of C71 and/or R103 wrong? Is my analisis of the circuit wrong? It's been a long time since I tried to do full circuit analisys. Also in series with C71, R103 and R77 is the 47uf electrolytic capacitor C6. At least C6 has some bias (2.5V) on it. The load seen by IC7B is the input impedance of the inverting stage, 1K at higher frequencies in parallel with the feedback resistor R75 and C50. This works out to 1000 in parallel with 4530 or ~820 ohms. Not a nice load for a low performance opamp. To look at the loads seen by IC8B and IC8A it's necessasary to know what is at the input of the ADC.
Here we see that the inputs of the ADC is feed from a network of 3 332 ohm resistors. As the signal applied to the network is balanced, each opamp will see one 332 ohm resistor and half of the resistor between the + and - inputs. Effective input load of the ADC as seen by the opamps is 332+(.5*332)=498 ohms. The load on IC8A and IC8B will be the 498 ohm load in parallel with the feedback networks. On IC8A the load would be 498 in parallel with R79 at 4.7K for a total load of 450 ohms. IC8B would see 498 in parallel with both R5 at 4.7K and R78 at 2.21K which comes out to 374 ohms. Pretty ugly loads for the opamps.
I basically decided that the input circuit was not usable and designed a new circuit that addresses the things I did not like about the stock input. No electrolytics and light loads for the high performance opamps. One of the reasons for the low inpedance of the stock circiut at the ADC is to keep noise under check. The ADC needs to be driven from a low impedance source. Behringer did it one way, My solution is much different
On the input side the input impedance is set by the 100K resistors. the opamps (high performance Burr Brown OPA2134's) are configured as balanced instrumemtation amplifiers with a gain of 2. The balanced input buffer amps drive 2K:600 transformers. The transformers provide common mode noise rejection. The bias necessasary for the inputs of the ADC chips is supplied via the centertap of the transformer secondary. At the ADC chips I removed R6 and R5, the 331 ohm resistors that were between the + and - inputs. In this setup the load on the opamps is very light- just the unloaded transformers and 10K feedback resistors. The 2:1 step down ratio of the transformers provides a 4:1 impedance ratio so from the ADC's point of view the source impedance is the 47 ohm resistors divided by 4 (11.7 ohms) plus the DCR of the transformer windings.
The results of the new input circuit are: higher input inpedance, no electrolytics, light loads on the opamps, and low source impedance for the ADC converters.
The output circuits of the DCX2496 are just more of the same low grade circuit designs like the input:
behringer_output.gif (10171 bytes)
Just say no to the output circuits. The easy way for the output was to use 1:1 interstage transformers and directly drive them from the voltage output DAC's. I was already using 1:1 interstage transformers on the output of the Pioneer CD player to great effect so it only seemed natural to do the same thing with the Behringer.
The digital part of the DCX2496 seems to be setup pretty well. The weak link is the analog input and output circuitry. Also, the requirement of handling the full range of pro-sound voltages on the input and output seriously compromise the unit when used for home levels. For best performance the input and output circuits should be configured to match the needed gain structure of your system.
After designing a new input circuit and replacing the output circuit with transformers the sound of the system is really good. The imaging and dynamics are where they should be and the bass is clean, well defined with great tone and texture..
The associated pictures are attached. Here are my questions:
1) What value are the caps C4-C7 used after the input transformers?
2) Are the 332Ω resistors left in place on the original board, or bypassed?
3) Are the original 0.0015μF caps left in place on the original boards, or removed?
4) What do you suggest to use as 2kΩ:600Ω transformers?
5) What do you suggest to use for the 1:1 output transformers?
6) Are the output 1:1 transformers connected directly to the chip output pads? (Haven’t looked inside mine yet and the schematic is a bit unclear)
7) Are the 1:1 transformers left unloaded, expect by the amplifier connected to them?
8) How low of a load can the outputs drive? Specifically, I’m considering using LDR volume controls which present as low as 7kΩ loads.
9) Do you have either pictures or suggested layouts of the circuits?
- Attachments
-
- behringer_output.gif
- (9.93 KiB) Not downloaded yet
-

-
- behringer_input.gif
- (8.97 KiB) Not downloaded yet
January 21st, 2015, 9:02 pm
The new input circuit.
- Attachments
-

January 21st, 2015, 9:12 pm
First off, why not feed the DCX2496 with AES/EBU? I know....you have a turntable. But surely, the A/D can be done better for your analog sources with another unit. I think Don Diego and John D both have good A/D units they can recommend. For your digital sources, it's a crime against nature to go D/A to A/D to 3xD/A.
January 21st, 2015, 9:41 pm
Have you looked at this option...?
The dollar/euro ratio is better these days......
http://www.pilghamaudio.com/diy/diy-support/dcx-active-upg
January 22nd, 2015, 9:55 am
I agree with Ferdinand. I have been using both the DEQ2496 and DCX2496 since shortly arter they came out. The DEQ and DCX are connected via an AES/EBU link. The main problem in both units in seems to be the ADC. I spent quite a bit of time speaking with an engineer at Analog Devices and he confirmed that the biggest problem anywhere in the digial signal path is the ADC. It is apparently harder to make a good ADC than DAC but I am relying on other people to form that opinion.
I have played files from CD from the players analog outputs into the DEQ and then fed the DEQ with a SPDIF input from the same files. The difference is quite substantial. Ultimately I will have the system to the point where I can stay completely in the digital domain except for legacy analog sources. For that I will probably end up with a Benchmark ADC.
January 23rd, 2015, 11:26 am
So, no help with my questions?
>As far as AES/EBU (I assume you mean the consumer variant SP/DIF?), okay, hadn't even given it any thought. When I care about making something sound good, I only think of vinyl (since I don't have reel-to-reel capabilities right now), so I didn't even give digital a thought.
>Ferdinand, you are obviously correct as to DA/AD/DA being a "crime against nature", but then, that's how I view digital in general, so.............
But it does make sense to NOT do DA-AD-DA.
>Anyway, the idea of a better, remote ADC I am not against.
Suggestions?
>However, I do want the DCX2496 to be a fully functional stand alone unit if need be, so I still am going to mod the input circuit. IF ANYONE has ideas (answers to the original questions for Pimm), please let me know.
>This continues to leave open the question of the DAC output transformers.
Suggestions on transformers to use?
Slick
January 23rd, 2015, 12:45 pm
AES/EBU is the first generation pro version of digital interface. It is a balanced design with 110 ohm impedance, implemented with twisted pair cabling and XLR jacks. It's not perfect, nor as good as I2S, but it's usually better than most Coax/RCA SP/DIF implementations. Input 1 on the DCX2496 is a combo input, analog
OR AES/EBU.
Sorry that I can't help much with the original questions. Most people seem to be using Lundahls for input and output X-formers. There is a thread on Edcor re. some of their units that are suitable. Links below:
http://www.audioasylum.com/forums/KandK/messages/6231.htmlhttp://www.tweakaudio.com/EVS-2/Behringer_DCX2496_mods.htmlhttp://www.diyaudio.com/forums/digital-line-level/119128-dcx2496-i-o-mods-need-some-advice.htmlhttp://forum.speakerplans.com/behringer-dcx-2496-ultradrive-cheap-mods_topic79006.htmlhttps://www.edcorusa.com/boards/topic/157/searching-a-transfomer-to-use-with-a-dcx2496
January 23rd, 2015, 4:10 pm
January 28th, 2015, 9:34 am
Thanks Roscoe and Ferdy,
I have seen the French article before, but since my French stopped at Avant and apres, (my best French in class was "Je ne sais pas", how I responded to most questions in class) figured I better avoid it. Plus there wasn't much useful information, BUT one great idea, that of integrating the unit into a larger chassis allowing a real iron power supply and perhaps LDR attenuators in one chassis.
I must do better in my search, I completely missed the VERY helpful threads in diyaudio!
Thanks again, more reading to do.
On the subject of AES/EBU, is that a balanced only format?
My Monarchy DIP has an AES/EBU output.
I assume if I input S/PDIF from my PC or CD player, that an AES/EBU compatible signal would emanate? If so, I could use that for my digital playback, right?
Stuart
- Attachments
-

- msbdip.jpg (26.12 KiB) Viewed 34991 times
January 28th, 2015, 9:41 am
AES/EBU is a balanced signal format. You can interface with unblanced signals using a resistive coupler but the best way is to use a balun. The transformer in the balun assures that common mode rejecton remains high, the desired voltage levels are maintained, and it also provides isolation of the devices. You can get them on ebay for around $30.
Powered by phpBB © phpBB Group.
phpBB Mobile / SEO by Artodia.