DCAudioDIY.com

DC Area Audio DIYer's Community
It is currently October 16th, 2025, 11:28 pm

All times are UTC - 5 hours [ DST ]




Post new topic Reply to topic  [ 41 posts ]  Go to page 1, 2, 3, 4, 5  Next
Author Message
 Post subject: need help
PostPosted: April 4th, 2022, 3:17 pm 
Offline
User avatar

Joined: January 15th, 2015, 7:19 am
Posts: 1754
Location: Baltimore MD
I am working on my Carys SLM-100s to get ready for sale. They work very well except the red LED pilot light to indicate the B+ is on does not work. It is interesting that this is true for both amps. This was the way they were when I bought them in May of 2019. I thought it would be a simple fix but never bothered to try.
The schematic I have shows the switch but not the LED.

Attachment:
cary_B+.png
cary_B+.png [ 323.3 KiB | Viewed 68522 times ]


i am trying to understand how this works.
There is a Filament-only switch with a green LED, that works fine. I assume that energizes the primary on the mains tranny.

The B+ circuit is what I do not understand. Why three diodes in each leg? When is the B+ off when the center tape is grounded or open?
How would you implement the B+ red LED when the switch is on?


Top
 Profile  
 
 Post subject: Re: need help
PostPosted: April 4th, 2022, 3:58 pm 
Offline
User avatar

Joined: July 24th, 2015, 4:17 pm
Posts: 1833
Location: Parkville, Maryland
Pelliott321 wrote:
The B+ circuit is what I do not understand. Why three diodes in each leg? When is the B+ off when the center tape is grounded or open?
How would you implement the B+ red LED when the switch is on?

You have a full-wave rectifier circuit with rectifier diodes in series to increase the inverse voltage limit. The 1N5408s are good alone for a rated inverse voltage of 1,000-vdc.
Why multiple 1,000-volt diodes for a 480-vdc circuit? You have to ask Cary that. My guess is that Cary was "gun shy" about having a single diode taking the capacitor discharge on shut-off.

The B+ circuit is completed when the center-tap is tied to ground. The 20-Kohm resistor provides a slow-charge path to the capacitors until you throw the switch.

As far as the LED is concerned - -where is the rest of the schematic? The switch may have a second pair of dry contacts that could be a control for the red LED possibly using maybe the filament supply as an energizing source.

It could be a double-pole, single throw switch -- one half completes the B+ the other half completes the LED circuit. Yes? No?

Or -- using a high-enough value resistor the LED could be simply tied to the B+, which may have been a bad idea since both amps. have the problem.

_________________
Walt


Top
 Profile  
 
 Post subject: Re: need help
PostPosted: April 4th, 2022, 8:37 pm 
Offline
User avatar

Joined: January 15th, 2015, 7:19 am
Posts: 1754
Location: Baltimore MD
The schematic I have does not show either LED.
It must be an earlier version, but it is all Cary would send me. The switches are SPST, only two wires attached. Sounds like you are right and I need to change out the voltage drop resistor for a larger value.


Top
 Profile  
 
 Post subject: Re: need help
PostPosted: April 4th, 2022, 8:40 pm 
Offline
User avatar

Joined: January 15th, 2015, 7:19 am
Posts: 1754
Location: Baltimore MD
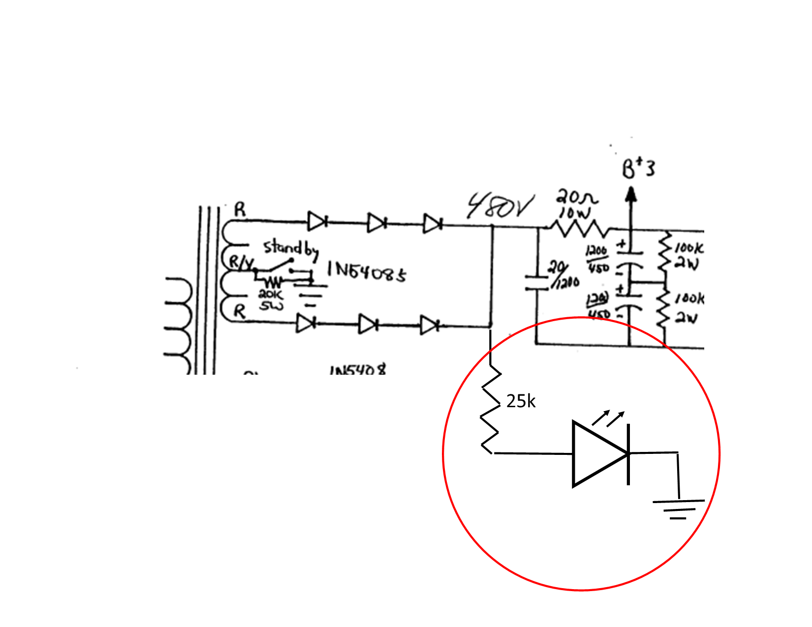
Would a 25k resistor be big enough


Top
 Profile  
 
 Post subject: Re: need help
PostPosted: April 5th, 2022, 11:42 am 
Offline
User avatar

Joined: July 24th, 2015, 4:17 pm
Posts: 1833
Location: Parkville, Maryland
Pelliott321 wrote:
Would a 25k resistor be big enough

That depends on the LED rating. They are not all created equal. Ohms law can be your guide and figure no more than 25-ma current (depending on LED rating).

_________________
Walt


Top
 Profile  
 
 Post subject: Re: need help
PostPosted: April 5th, 2022, 2:32 pm 
Offline
Site Admin
User avatar

Joined: February 28th, 2013, 10:38 am
Posts: 1726
B+/10mA is probably a good starting value for the resistor.... Don't forget to take into account the power dissipated in the resistor as well...

Roscoe

_________________
I can explain it to you, but I can’t understand it for you.


Top
 Profile  
 
 Post subject: Re: need help
PostPosted: April 5th, 2022, 3:47 pm 
Offline
User avatar

Joined: January 15th, 2015, 7:19 am
Posts: 1754
Location: Baltimore MD
Attachment:
b+LED.png
b+LED.png [ 200.08 KiB | Viewed 68444 times ]


Top
 Profile  
 
 Post subject: Re: need help
PostPosted: April 5th, 2022, 3:53 pm 
Offline
Site Admin
User avatar

Joined: February 28th, 2013, 10:38 am
Posts: 1726
Yeah, like that. Whether or not the 25K is a good value depends on B+ and the specific LED used....

Roscoe

_________________
I can explain it to you, but I can’t understand it for you.


Top
 Profile  
 
 Post subject: Re: need help
PostPosted: April 5th, 2022, 4:01 pm 
Offline
User avatar

Joined: January 15th, 2015, 7:19 am
Posts: 1754
Location: Baltimore MD
I have lots of LEDs and resistors to blow up.
I am assuming I can try this without tubes installed


Top
 Profile  
 
 Post subject: Re: need help
PostPosted: April 5th, 2022, 4:15 pm 
Offline
Site Admin
User avatar

Joined: February 28th, 2013, 10:38 am
Posts: 1726
B+ will be a lot higher w/o tubes installed, possibly enough to be over the cap ratings....

_________________
I can explain it to you, but I can’t understand it for you.


Top
 Profile  
 
Display posts from previous:  Sort by  
Post new topic Reply to topic  [ 41 posts ]  Go to page 1, 2, 3, 4, 5  Next

All times are UTC - 5 hours [ DST ]


Who is online

Users browsing this forum: No registered users and 408 guests


You cannot post new topics in this forum
You cannot reply to topics in this forum
You cannot edit your posts in this forum
You cannot delete your posts in this forum
You cannot post attachments in this forum

Search for:
Jump to:  
Powered by phpBB® Forum Software © phpBB Group