DCAudioDIY.com

DC Area Audio DIYer's Community
It is currently October 30th, 2025, 9:17 am

All times are UTC - 5 hours [ DST ]




Post new topic Reply to topic  [ 29 posts ]  Go to page Previous  1, 2, 3
Author Message
PostPosted: March 26th, 2023, 11:21 am 
Offline
User avatar

Joined: July 24th, 2015, 4:17 pm
Posts: 1841
Location: Parkville, Maryland
David McGown wrote:
Walt,

What I was suggesting was the HF bandwidth of an EI power transformer is limited, and therefore can act as a filter for noise on the lines. For instance, EI core isolation transformers are much more effective than cheaper toroidal isolation transformers in filtering lines noise. Smaller toroidal transformers can have bandwidths up to 100kHz, Richard Sears successfully used an off-the-shelf Talema power transformer as a full audio bandwidth output transformer in a small PP amplifier. Try doing that with a 60Hz EI power transformer. What is best probably depends on circuit susceptibility to EM fields vs. lines noise, i.e., the specific application.

David


Talk about thinking outside the box -- using a power transformer for an audio output transformer. :confusion-confused:

_________________
Walt


Top
 Profile  
 
PostPosted: March 26th, 2023, 12:03 pm 
Offline

Joined: February 28th, 2013, 1:19 pm
Posts: 962
The laminations are typically very thin, high quality silicon steel strip, the dual windings for the primary and secondaries are precisely controlled, the stepdown ratios, particularily for the lower voltage transformers, are in the same range of those of output transformers at speaker level (8 ohm output impedance). The only drawback is they are intolerant of DC, and therefore you need to make sure you have tight balance between the tubes. There are several companies that make toroidal output transformers (Piltron, Toriody, etc.). But from an experimenter's standpoint, a small toroidal power transformer may do just fine for a few watts output in PP. My recollection is that Richard Sears used a 6AS7 tube for a 4W amplifier.

http://www.triodeguy.com/6as7_pp.htm


Top
 Profile  
 
PostPosted: March 26th, 2023, 4:23 pm 
Offline

Joined: January 14th, 2015, 11:15 pm
Posts: 500
SoundMods wrote:

Talk about thinking outside the box -- using a power transformer for an audio output transformer. :confusion-confused:


I used 9-volt toroids in a parafeed 6V6 amp and you may find this PP design interesting.

https://www.diyaudio.com/community/threads/the-stupendous-6p1p-4pp-amplifier.317395/

ray


Top
 Profile  
 
PostPosted: March 26th, 2023, 5:59 pm 
Offline
User avatar

Joined: July 24th, 2015, 4:17 pm
Posts: 1841
Location: Parkville, Maryland
ratbagp wrote:
SoundMods wrote:

Talk about thinking outside the box -- using a power transformer for an audio output transformer. :confusion-confused:


I used 9-volt toroids in a parafeed 6V6 amp and you may find this PP design interesting.

https://www.diyaudio.com/community/threads/the-stupendous-6p1p-4pp-amplifier.317395/

ray

That's a lot of work. NICE! Although it appears to have a boat load of global feedback.

_________________
Walt


Top
 Profile  
 
PostPosted: March 26th, 2023, 6:07 pm 
Offline

Joined: January 14th, 2015, 11:15 pm
Posts: 500
I have never used global feedback and out of curiosity would be interested in knowing

1 - how to decide how much is necessary
2 - how to calculate it

Could somebody point me to some sources of info?

ray


Top
 Profile  
 
PostPosted: March 26th, 2023, 6:16 pm 
Offline

Joined: May 21st, 2017, 11:34 am
Posts: 30
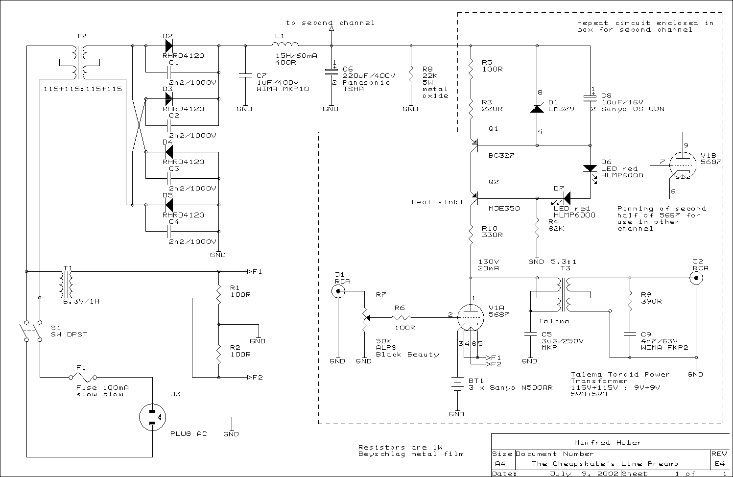
Here's a line stage using power transformers as outputs that a friend in Germany, Manfred Huber, posted many years ago. The article is long gone but lives on in the web archive. https://web.archive.org/web/20040205145106/http://home.t-online.de/home/MHuber/pre-5687.htm


Attachments:
pre-5687.gif
pre-5687.gif [ 27.53 KiB | Viewed 165408 times ]
Top
 Profile  
 
PostPosted: March 26th, 2023, 7:04 pm 
Offline

Joined: February 28th, 2013, 1:19 pm
Posts: 962
ratbagp wrote:
I have never used global feedback and out of curiosity would be interested in knowing

1 - how to decide how much is necessary
2 - how to calculate it

Could somebody point me to some sources of info?

ray


Ray,

There is a good article on global negative feedback that I found helpful (but rather technical) on Aiken Amps website:

https://www.aikenamps.com/index.php/des ... e-feedback

As far as how much negative feedback, that depends. Usually anywhere from 6 to 10 dB for triode amps, and up to 16 to 20dB for PP UL. I have only played around with feedback in the past couple of years, and mainly with PP UL amps.

David


Top
 Profile  
 
PostPosted: March 26th, 2023, 8:31 pm 
Offline

Joined: January 14th, 2015, 11:15 pm
Posts: 500
Thanks,

ray


Top
 Profile  
 
PostPosted: March 27th, 2023, 9:54 am 
Offline
User avatar

Joined: July 24th, 2015, 4:17 pm
Posts: 1841
Location: Parkville, Maryland
David McGown wrote:

As far as how much negative feedback, that depends. Usually anywhere from 6 to 10 dB for triode amps, and up to 16 to 20dB for PP UL. I have only played around with feedback in the past couple of years, and mainly with PP UL amps.

David


Since my SET Carys had adjustable feedback with a pot -- I found a sweet spot at about 3-db and then got rid of the pot altogether and replaced it with Vishay RN-70 bulk-film resistors. Getting rid of that pot, especially, made a positive difference in playback quality. While I was at it I replaced the stranded feedback wiring running along the chassis from the output transformer to the first gain block with a solid silver-clad copper conductor with a much shorter length running straight to the fist gain block inside a Teflon tube. It was worth the effort.

Of course, with feed back you have to assure stability and sometimes you need a parallel small capacitor to close down the loop at very high frequencies.

_________________
Walt


Top
 Profile  
 
Display posts from previous:  Sort by  
Post new topic Reply to topic  [ 29 posts ]  Go to page Previous  1, 2, 3

All times are UTC - 5 hours [ DST ]


Who is online

Users browsing this forum: No registered users and 499 guests


You cannot post new topics in this forum
You cannot reply to topics in this forum
You cannot edit your posts in this forum
You cannot delete your posts in this forum
You cannot post attachments in this forum

Search for:
Jump to:  
cron
Powered by phpBB® Forum Software © phpBB Group