A place to discuss member's DIY audio projects & post pictures/schematics. NOTE: There is a limit of 2MB per attachment, and a maximum of 3 attachments per message. If you need to post more than 3 attachments, just add another message.
October 26th, 2021, 5:59 pm
Any of the DIY gurus wants let go a tube preamp you are no longer using? It should not have any feedback.
October 26th, 2021, 6:36 pm
Shashi,
No feedback...this means no cathode follower (100% local feedback), or an unbypassed grounded cathode (unless fixed bias). I would suggest this as a perfect project to build, it will not take alot of effort to do so. A single tube 12B4 or 6V6 (triode connected) plate resistor loaded grounded cathode and cap coupled to the output has a low output impedance and perfect for a low gain linestage. If you put a CCS at the top, you can use a unbypassed cathode resistor and still get decent gain. If you don't have enough B+ in your power supply, you can use choke loading of the plate, or even use transformer coupling (which costs more money). But a linestage can be thrown together cheaply and quickly. Just don't overthink it and try to build the "perfect" preamp as first, build it simple and do methodical upgrades.
Sorry this is not answering your request, just presenting you with a challenge.
David
October 26th, 2021, 7:43 pm
OK David, I will build it. Building from scratch will prepare me to build the EL84 SE amps for my system. Let me hit the books. I will post the schematics in installments for review/corrections.
October 26th, 2021, 8:06 pm
Shashi,
Keep it simple. There are lots of 12B4 linestage circuits on the web. Most run the 12b4 around 20mA, with anywhere from 90v to 130V at the plate. Around 12 to 13V at the cathode, so cathode resistor is around 600 to 750 ohms. Bypass it with a ELNA Silmic, perhaps 330uF. Plate resistor between 5K and 10K. Higher value for better linearity. Assuming you use a 7500 ohm plate resistor, the voltage drop at 20mA is 150V, so assuming 120V at the plate, you will need a 270V B+. Work out the power supply from there. Actually, you can use a 115/230V isolation transformer into a bridge rectifier and a cap input supply with a couple of RC stages to filter and drop the voltage down to what you need. Model the PS on PSUD. You can use a choke in place of first R for more filtering.
David
October 26th, 2021, 9:19 pm
There is a lot of discussion at this link. Post 3 and 4 will get you started.
https://www.diyaudio.com/forums/tubes-valves/68267-12b4-line-stage-12b4-grounded-grid.htmlI would probably use a cascoded DN2450 instead of the plate resistor and skip the cathode bypass cap.
http://hiend-audio.com/2013/11/03/high-voltage-constant-current-source/It will probably be helpful if you post your prospective layout and get some 'expert' comments.
If you want to experiment with different coupling capacitors, try using a rotary dual pole switch so that you can easily switch between 6 different capacitors. You can find out what really floats your boat. Connect each plate to one of the two central connectors. Then connect each cap from one of the outer solder lugs to the output.
https://au.mouser.com/ProductDetail/Lorlin/CK2441?qs=VJkHNLJxjTcG%2FKP%2FNVR6pw%3D%3DIt may be helpful to build a trial first where you can make mistakes and then rebuild it into a beautiful new version where it looks wonderful.
ray
October 26th, 2021, 9:27 pm
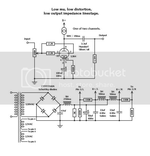
You man something like this?

- Picture2-1.png (74.57 KiB) Viewed 46008 times
October 26th, 2021, 9:37 pm
Yes. but I would try skipping the cathode cap. Depending on the bias voltage, some builders use strings of LEDs instead of a resistor and cap.
ray
October 26th, 2021, 9:40 pm
you have given me lot of reading material Ray. I will even one of these days.
October 26th, 2021, 9:48 pm
David McGown wrote:Shashi,
Keep it simple. There are lots of 12B4 linestage circuits on the web. Most run the 12b4 around 20mA, with anywhere from 90v to 130V at the plate. Around 12 to 13V at the cathode, so cathode resistor is around 600 to 750 ohms. Bypass it with a ELNA Silmic, perhaps 330uF. Plate resistor between 5K and 10K. Higher value for better linearity. Assuming you use a 7500 ohm plate resistor, the voltage drop at 20mA is 150V, so assuming 120V at the plate, you will need a 270V B+. Work out the power supply from there. Actually, you can use a 115/230V isolation transformer into a bridge rectifier and a cap input supply with a couple of RC stages to filter and drop the voltage down to what you need. Model the PS on PSUD. You can use a choke in place of first R for more filtering.
David
I want to use the power supply parts and chassis from the other preamp which you helped me build this summer. I will try to come up with a fixed bias schematic in the next few days.
October 26th, 2021, 9:53 pm
Shashi,
That is one way to do it. There are many ways. Two things to point out, the cathode bypass cap may not be needed. And the 9H 250mA choke in the power supply is serious overkill. The circuit is only going to pull 40mA for both channels. Also there is good chance that having 3 chokes in the powersupply will result in ringing, though questionable that a Class A circuit will create any load step demands to be a problem.
The CCS will need a small circuit board, and will need to be heatsinked. The advantage of building this simple with a plate resistor at first is to get something working now which can be upgraded. The CCS is a better way, but can be a roadblock. Plan ahead to have the space to add this. You can also add a regulator (shunt) at the same time, which will involve another pair of CCSs to feed the shunt regulator. The nice thing about this approach is that the same raw power supply will work if you factor in enough current for the shunt elements as well as the linestage circuit. But later...
David
Powered by phpBB © phpBB Group.
phpBB Mobile / SEO by Artodia.