A place to discuss member's DIY audio projects & post pictures/schematics. NOTE: There is a limit of 2MB per attachment, and a maximum of 3 attachments per message. If you need to post more than 3 attachments, just add another message.
November 5th, 2020, 2:54 pm
I am in desperate need of at least one wafer. Nearing the end of a project to refurbish one using an LM4780 chip amp in place of a failed power amp and recapped/re-resistored line/phono stage when I discovered the broken wafer.
It MAY becthe same as a PAT4. Does anyone have one or have a source for one. Ebay and Marketplace searches come up with nothing.
Thanks in advance,
Stuart
November 5th, 2020, 3:40 pm
Stuart Polansky wrote:I am in desperate need of at least one wafer. Nearing the end of a project to refurbish one using an LM4780 chip amp in place of a failed power amp and recapped/re-resistored line/phono stage when I discovered the broken wafer.
It MAY becthe same as a PAT4. Does anyone have one or have a source for one. Ebay and Marketplace searches come up with nothing.
Thanks in advance,
Stuart
Is there any chance you can repair it? Two-part epoxy can be amazing in situations like that.
November 5th, 2020, 4:10 pm
I doubt if what I have is an exact replacement, but I do have a few selector switches that are new. Can you provide some details, perhaps a picture or two. I'll do the same, probably today.
November 5th, 2020, 5:20 pm
After looking at my progress pictures, I see that
I broke the switch. As careful as I thought I was being, the bending moment from trying to neatly remove those 10k resistors obviously broke it.
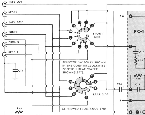
Here are pictures of the damage and a section of the wiring diagram.
Thanks again.
- Attachments
-

-

-

November 5th, 2020, 5:25 pm
Another useless pic
- Attachments
-

November 5th, 2020, 5:28 pm
I took a look at what I have and they are both basic selector switches so I'm afraid I'm not going to be able to help you out. Good luck.
November 5th, 2020, 6:33 pm
Stuart Polansky wrote:After looking at my progress pictures, I see that I broke the switch. As careful as I thought I was being, the bending moment from trying to neatly remove those 10k resistors obviously broke it.
Here are pictures of the damage and a section of the wiring diagram.
Thanks again.
Hey Stu! Since the break is out of the way of any electrical connections -- and at the end of the wafer right at the mechanical connections -- I think you have a shot at a successful repair. Also I recommend cleaning the silver oxide off of the electrical connections.
Powered by phpBB © phpBB Group.
phpBB Mobile / SEO by Artodia.